Linear Strain Gauges

Ordering:

MFL linear strain gauges are supplied in multiple standard geometries, resistance values, and grid lengths. Bespoke designs can be engineered and delivered within a few weeks. You can send us a rough hand drawn sketch or other suppliers part numbers as a reference. Please let us know critical dimensions & resistance values in your enquiry.

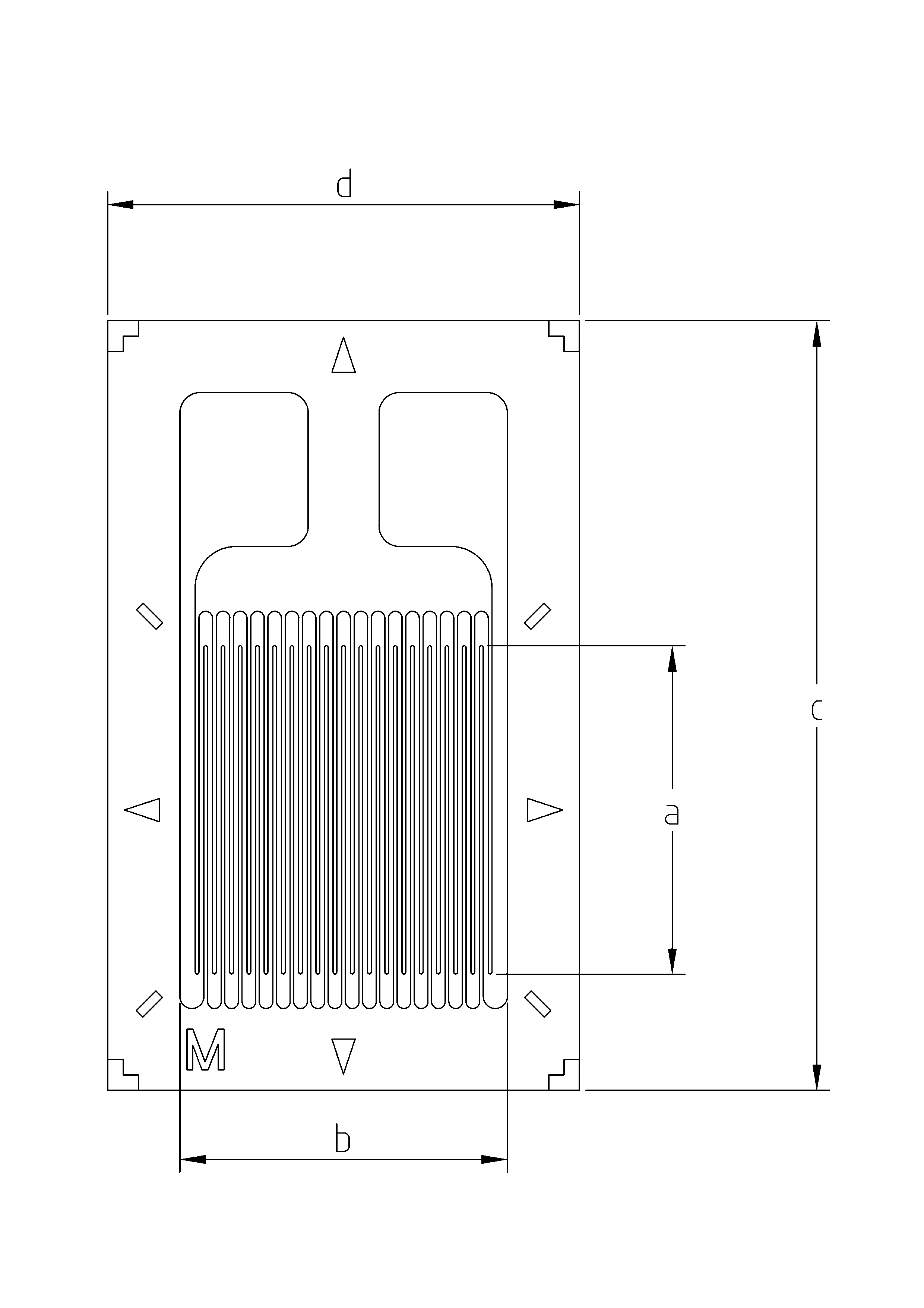
KEY:

(a) Grid length

(b) Grid width

(c) Matrix length (includes backing material)

(d) Matrix width (includes backing material

Foil Strain Gauges on Polyimide

A linear strain gauge (also called a foil strain gauge) is a precision sensor used to measure strain (deformation) along one axis. At MFL Strain Gauges (based in N. Ireland), our linear gauges use high-stability metal foil (Constantan or Karma) bonded to a thin polyimide backing. As the bonded component stretches or compresses, the gauge’s foil grid changes length by the same amount, producing a small, measurable change in electrical resistance. This signal is typically read using a Wheatstone bridge circuit to provide an accurate strain measurement. Usual resistance requirements range between 120 Ohms - 2,000 Ohms. MFL can custom design and manufacture to your exact requirements. We also have thousands of Strain Gauges in STOCK ready to ship in a range of sizes from 1mm - 150mm with NEXT DAY DELIVERY within UK & IRELAND.

What is a linear strain gauge?

Single-axis strain measurement
A linear strain gauge is aligned with the direction of strain you want to measure. It is highly sensitive along this axis and largely insensitive to strain at right angles.

Precision-etched foil on a polyimide carrier
MFL linear gauges use a precisely etched foil grid on a polyimide backing for excellent stability, flexibility, and reliable performance across a wide range of conditions.

Bonded directly to the structure
The gauge is bonded to the test piece using a suitable strain gauge adhesive. Once installed, the gauge follows the surface strain as if it were part of the material itself.

Because they deliver high accuracy, repeatability, and compact installation, linear foil strain gauges are the foundation of many test and monitoring systems.

Typical applications for linear strain gauges

1) Structural testing and validation

Linear strain gauges are widely used in R&D and structural testing to understand how components behave under real loads:

  • Measuring bending strain and tensile/compressive strain in beams, plates, and frames

  • Validating FEA (finite element analysis) predictions

  • Fatigue testing of mechanical components and welded joints

  • Locating and monitoring strain hot spots on prototypes before production

These measurements help confirm designs are safe, efficient, and compliant with relevant standards.

2) Load and force measurement (load cells)

A common use case is load cells and force sensors, where linear strain gauges are bonded to engineered metal elements:

  • Industrial weighing systems

  • Material testing machines

  • Presses, jigs, and fixtures where force feedback is required

Here, the gauge converts a controlled elastic deformation into a stable, calibrated electrical signal.

3) Aerospace, automotive, and rail testing

In transportation and mobility industries, linear gauges support lightweight design and performance optimisation:

  • Monitoring wing spars, fuselage sections, and landing gear components

  • Measuring stress in chassis, suspension arms, roll cages, and engine components

  • Instrumenting rail bogies and structural frames

This data supports durability studies, safety checks, and weight-reduction programmes.

4) Civil engineering and infrastructure monitoring

Linear strain gauges can be surface mounted or embedded to measure strain in structures such as bridges and buildings:

  • Monitoring strain in critical beams and columns

  • Assessing the effect of traffic loads on bridges

  • Long-term structural health monitoring of concrete and steel

This can provide early warning of excessive strain, cracking, or unexpected load paths.

5) Medical and biomechanics applications

In medical and biomechanics work, linear strain gauges measure real world deformation in devices and materials:

  • Strain measurement in prosthetics, orthopaedic implants, and surgical instruments

  • Recording deformation in sports equipment for performance and safety studies

These applications benefit from the small size and stability of precision foil gauges.

Why choose MFL Strain Gauges?

As an N. Ireland based foil strain gauge manufacturer, MFL focuses on:

  • High quality foil patterns for excellent linearity and low hysteresis

  • Robust polyimide backing suitable for demanding environments

  • Consistent manufacturing for closely matched results in multi gauge installations

Whether you are instrumenting a single prototype or building a full measurement system, MFL linear strain gauges provide a dependable, accurate foundation for your strain data.

Linear strain gauge FAQs

What’s the difference between a linear strain gauge and a rosette?
A linear strain gauge measures strain along one axis. A rosette (multi-grid) arrangement is used when the principal strain direction is unknown or multi directional strain must be resolved.

Do linear strain gauges work on steel, aluminium, and composites?
Yes—linear foil strain gauges are commonly installed on metals and many composite surfaces, provided the correct surface preparation and adhesive system are used.

How is the signal measured?
Most installations measure the resistance change using a Wheatstone bridge (quarter, half, or full bridge), then convert the output to strain via instrumentation.

Need a quote or technical guidance?
Contact MFL Strain Gauges with your material, temperature range, gauge size, and resistance requirements and we’ll recommend a suitable linear gauge configuration.

Technical drawing of an electronic component, featuring labeled dimensions and detailed internal elements.
Technical drawing of an electronic component, featuring labeled dimensions and detailed internal elements.