Biaxial Strain Gauges

Ordering:

MFL linear strain gauges are supplied in multiple standard geometries, resistance values, and grid lengths. Bespoke designs can be engineered and delivered within a few weeks. You can send us a rough hand drawn sketch or other suppliers part numbers as a reference. Please let us know critical dimensions & resistance values in your enquiry.

KEY:

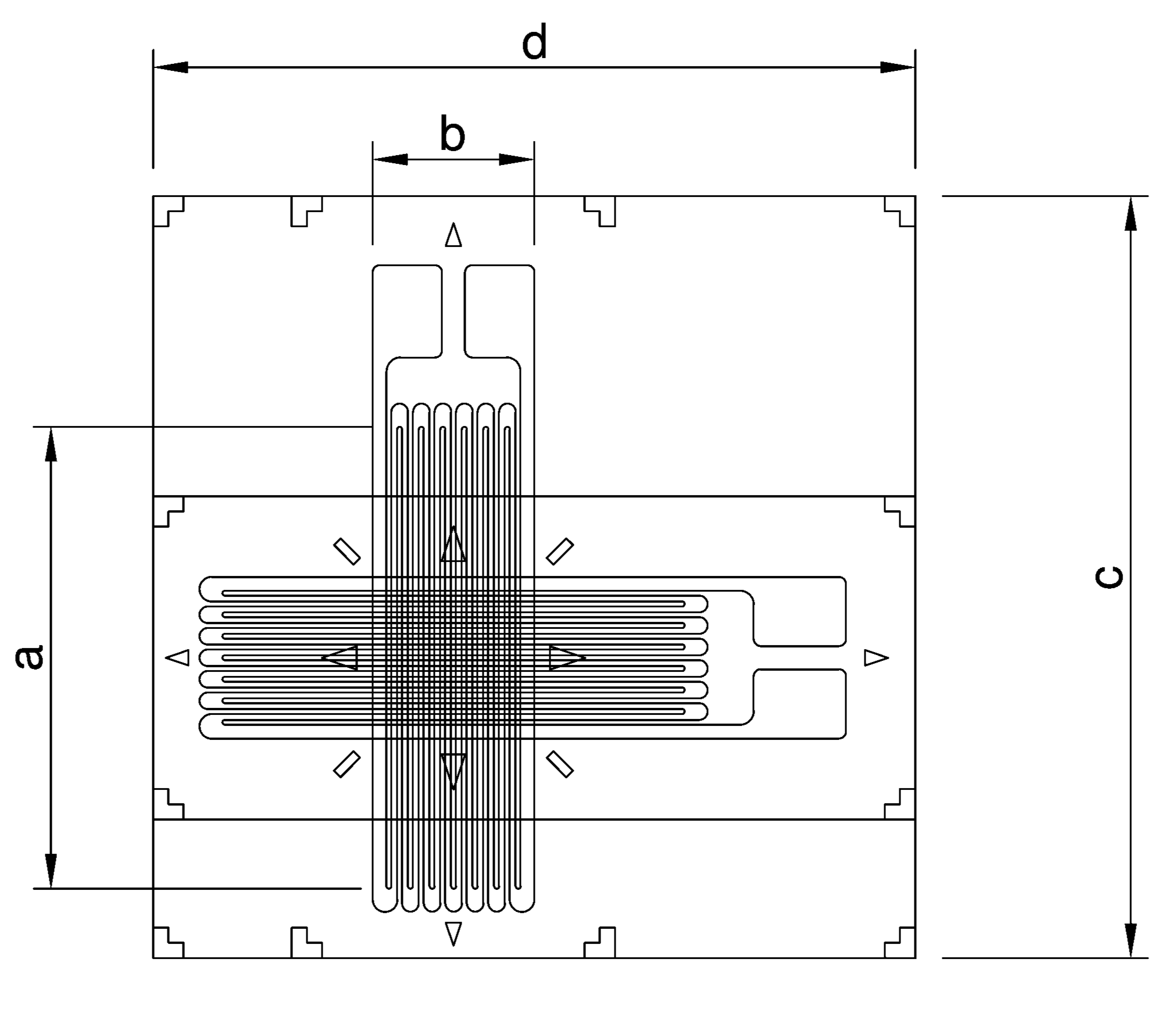
(a) Grid length

(b) Grid width

(c) Matrix length (includes backing material)

(d) Matrix width (includes backing material

For Two-Direction Strain Measurement

A biaxial strain gauge is a specialised foil strain gauge that measures strain in two directions at the same location. It contains two measuring grids on a single carrier, typically oriented at 90° (and sometimes other angles depending on the application). Biaxial gauges are used when you need to capture orthogonal (X/Y) strain, evaluate Poisson effects, or monitor structures where strain occurs in more than one direction. At MFL Strain Gauges (based in N.Ireland), our biaxial gauges provide accurate, repeatable two-axis strain measurement in a compact, easy to install format. Usual resistance requirements range between 120Ω - 2,000Ω (Ohms). MFL can custom design and manufacture to your exact requirements. We also have thousands of Strain Gauges in STOCK ready to ship in a range of sizes with NEXT DAY DELIVERY within UK & IRELAND.

What is a biaxial strain gauge?

A biaxial gauge combines two independent strain sensing grids on one backing so you can measure strain along two axes without installing two separate gauges.

Two grids, one carrier (two-axis measurement)
Two foil grids are integrated onto the same polyimide carrier. Each grid has its own terminals so it can be measured independently or wired into bridge circuits.

Orthogonal orientation (commonly 90°)
Most biaxial gauges are arranged at 90°, allowing measurement of longitudinal and transverse strain at the same point. This is especially useful when strain direction changes or when both directions matter.

Improved correlation between channels
Because both grids share the same backing and bonding conditions, the two measurements track temperature and installation effects closely often improving consistency compared with two separate single-axis gauges.

Precision foil on polyimide backing
MFL biaxial strain gauges use precision etched metal foil on a thin, robust polyimide backing for stable performance and repeatable installation on flat or gently curved surfaces.

Typical applications for biaxial strain gauges

1) Plane stress / multi-direction strain measurement

Biaxial gauges are widely used where components experience significant strain in two directions:

  • Plates and shells under complex loading

  • Structural joints and brackets

  • Areas near stress concentrations where strain direction changes

2) Poisson’s ratio and material behaviour studies

By measuring longitudinal and transverse strain simultaneously, biaxial gauges support:

  • Poisson effect measurement

  • Material characterisation and coupon testing

  • Validation of assumptions used in analysis and simulation

3) Pressure vessels, pipes, and thin-walled structures

In thin walled pressure components, multi direction strain can be important:

  • Monitoring axial and hoop related effects in cylindrical structures

  • Assessing local strain behaviour around nozzles and supports

  • Evaluating reinforcement effectiveness and load sharing

4) Composite laminates and anisotropic materials

In composites and layered structures, strain coupling can be complex:

  • Laminates under combined loading

  • Bonded joints and interfaces

  • R&D validation and prototype instrumentation

5) Structural testing and long-term monitoring

When you want consistent, repeatable multi-axis data over time:

  • FEA correlation and validation tests

  • Fatigue testing and endurance rigs

  • Infrastructure monitoring where strain direction may vary

Options and customisation with MFL Biaxial Gauges

To suit different geometries, instrumentation, and environments, MFL biaxial strain gauges are available with:

  • A range of grid sizes to match strain gradients and available mounting area

  • Multiple resistance options to suit your instrumentation and wiring requirements

  • Different lead styles for routing and connection preferences

  • Optional encapsulation when additional protection is required for harsh environments or handling

If you share your material, available space, expected strain range, and whether you need a 90° layout (or another orientation), we can recommend a suitable biaxial gauge configuration.

Why choose MFL Strain Gauges for biaxial applications?

As a N.Ireland-based foil strain gauge manufacturer, MFL designs biaxial gauges to provide:

  • Accurate two-axis strain measurement at a single point

  • Stable foil patterns for demanding industrial and research applications

  • Robust polyimide backing, with encapsulation available where required

  • Configurable grid sizes, resistance values, and lead styles to match your setup

Whether you are measuring longitudinal vs transverse strain, characterising materials, or instrumenting complex structures, MFL biaxial strain gauges provide a compact, dependable solution for two direction strain data.

Biaxial strain gauge FAQs

What does a biaxial strain gauge measure?
A biaxial gauge measures strain in two directions at the same location most commonly along two perpendicular axes.

How is a biaxial gauge different from a rosette?
A biaxial gauge typically measures two axes (often 90°). A rosette usually uses three grids (or specific patterns) to calculate principal strains and direction when strain orientation is unknown.

Do you offer different sizes, resistance values, and lead styles?
Yes—MFL offers a range of grid sizes, resistance options, and lead styles, with encapsulation available when required.

Need help selecting a biaxial gauge?
Contact MFL Strain Gauges with your material, geometry, strain direction assumptions, and environment and we’ll recommend a suitable configuration.

Technical drawing of a strain gauges with labeled dimensions a, b, c, and d.
Technical drawing of a strain gauges with labeled dimensions a, b, c, and d.
Technical drawing of a strain gauges with labeled dimensions a, b, c, and d.